Skyworks

Hello Kevin,


Skyworks designs and manufactures a range of products, including amplifiers, filters, and front-end modules primarily for mobile communications, and are heavily involved in wireless communications, especially in the development of solutions for smartphones, tablets, and IoT devices.


If you’re looking for cutting-edge technology, we highly recommend checking out the ISM+LTE FEM SKY 66425 and the 2.4 GHz SKY66409.

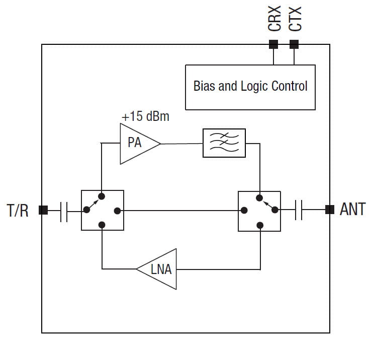
SKY66425-11

  • Dual Mode LTE + ISM RF Front-end Module


  • The SKY66425-11 is a high performance, highly integrated dual LTE and Industrial Scientific Medical (ISM) RF front-end module, with LTE LB/MB transmitter and receive pass through. The PA and LNA operates at 863 to 940 MHz IMS and Private LTE (Anterix) bands.


  • The SKY66425-11 is designed for ease of use and maximum flexibility, with fully matched 50 Ω inputs and outputs, and digital controls.


  • The RF blocks operate over a wide supply voltage range from 2.0 V to 4.8 V, which allows the SKY66425- 11 to be used in battery powered applications over a wide spectrum of the battery discharge curve.


  • The SKY66425-11 is packaged in a Multi-Chip Module (MCM) with exposed ground paddle and surrounding shielding.
Learn More

SKY66409-11

  • 2.4 GHz Front-End Module for Zigbee®/Thread/Bluetooth® Applications


  • The SKY66409-11 is a high-performance, fully integrated RF front-end module (FEM) designed for Zigbee®, Thread, and Bluetooth® (including low energy) applications.


  • The SKY66409-11 is designed for ease of use and maximum flexibility. The device provides a power amplifier, low-noise amplifier, low-loss bypass path, transmit/ receive switches, and digital controls compatible with 1.2 V to 3.6 V CMOS levels. The RF blocks operate over a wide supply voltage range from 1.8 V to 3.6 V that allows the SKY66409-11 to be used in battery powered applications over a wide spectrum of the battery discharge curve.


  • The SKY66409-11 is provided in a 1.25 mm x 1.7 mm x 0.35 mm, 12-pin Chip Scale Package (CSP)
Learn more

For more information, email sales@cain-forlaw.com or contact your local CFC representative.


The Cain-Forlaw Team.


E: sales@cain-forlaw.com

T: 847-202-9898 

W: www.cain-forlaw.com 

Let's Connect on LinkedIn!

LinkedIn